Kadłub


 

Osłona kabiny

Przednia część kadłuba

Zasłonki

Hamulec aerodynamiczny

 

Stożek

 

Łączenie tylnej części kadłuba


Skrzydło


Skrzydło i statecznik

Schemat skrzydła

Klapa wewnętrzna 

Klapa zewnętrzna

Lotka

Slot

Węzły mocowania skrzydła

Główny węzeł obrotowy skrzydła


Usterzenie


Statecznik poziomy

Statecznik pionowy

Ster kierunku


Podwozie


 

Główna goleń

Przednia goleń

Amortyzator goleni przedniej

Zastrzał goleni głównej


Pneumatyka


System pneumatyczny samolotu

Instalacja osłony kabiny


Hydraulika


System hydrauliczny

Układ hamulców aerodynamicznych

Układ klap

Układ slotów

Układ zmiany geometrii skrzydeł

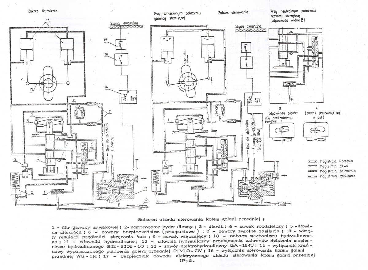
Układ sterowania kołem goleni przedniej

Układ chowania i wypuszczania podwozia 

Układ sterowania kołem goleni przedniej

Schemat działania silnika hydraulicznego

GMP-22

Hamulec hydrauliczny

Mechanizm śrubowy

Pompa NP-34

Pompa NS-3

Przekładnia

Przekładnia

Silnik GM-40

Zawór przełączający

Zbiorniki hydrauliczne pierwszej instalacji

Zbiorniki hydrauliczne drugiej instalacji

Zasobnik hydrauliczny

Filtr oleju


Katapultowanie


Fotel KM-36 DM

Ustawienie fotela

 

Schemat katapultowania


Elektryka


Schemat rozmieszczenia wyposażenia elektrycznego


Sterowanie


Układ sterowania lotkami

Układ sterowania statecznikiem poziomym

Układ sterowania sterem kierunku

Układ sterowania lotkami i statecznikiem poziomym SU-22 UM3K

Kinematyka układu sterowania

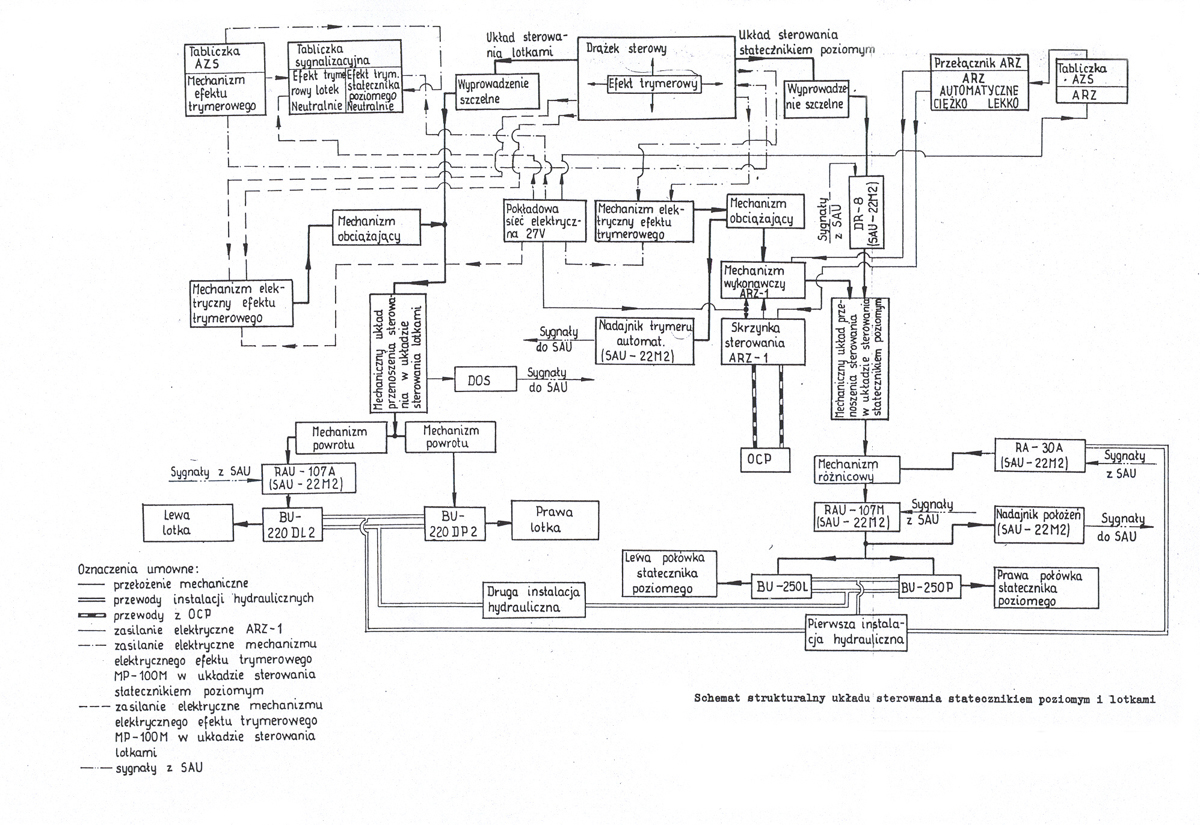
Struktura układu sterowania statecznikiem poziomym

Struktura układu sterowania sterem kierunku

Schemat mechanizmu wykonawczego RA-30A


Radioelektronika


Układ pomiaru wskazań kątów i przeciążeń


Napęd


Mocowanie silnika na płatowcu

Schemat instalacji przeciwpożarowej

Silnik


 

 

 
 
© Portal Eskadra 2007-2009